
热线:400-618-3073
手机:139-0617-0178
邮 箱:xiedunhuang@omaiko.cn
网址:www.omkfm.com
地 址:江苏省无锡市梁溪区凤翔北路21号.无锡市民营科技园
热线:400-618-3073
手机:139-0617-0178
邮 箱:xiedunhuang@omaiko.cn
网址:www.omkfm.com
地 址:江苏省无锡市梁溪区凤翔北路21号.无锡市民营科技园

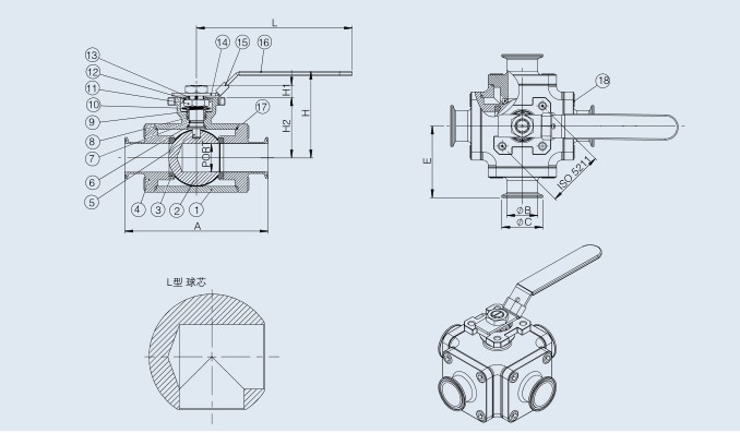
应用:
该类型球阀系列是一款卫生型的用于物料传送控制的一类阀门系列。广泛应用于食品、饮料加工、以及制药和化学工业领域。
灭菌温度:150℃(Max20min)
内表面处理:Ra≥0.4-0.8um
外表面处理:Ra≥0.4-1.6um
焊接端管径:焊接口:DIN11850-2 与11850-1/SMS/3A/ISO等系列
连接方式:焊接,快装,外螺纹,内螺纹,法兰等
材料:不锈钢304,316L
密封件:四氟垫,O型密封圈




