
热线:400-618-3073
手机:139-0617-0178
邮 箱:xiedunhuang@omaiko.cn
网址:www.omkfm.com
地 址:江苏省无锡市梁溪区凤翔北路21号.无锡市民营科技园
热线:400-618-3073
手机:139-0617-0178
邮 箱:xiedunhuang@omaiko.cn
网址:www.omkfm.com
地 址:江苏省无锡市梁溪区凤翔北路21号.无锡市民营科技园

一) 产品概述
燃气专用截止阀 J41N J41F:手动、法兰连接、直通式、阀座密封面材料为尼龙塑料;公称压力PN40,阀体材料为碳素钢的截止阀。
二)技术参数
型号PN工作压力 / MPa适用温度 / ℃适用介质
J41N-40404.0≤150石油气、空气等无腐蚀性介质
型号材料
阀体、阀盖阀杆密封面填料
J41N-40碳素钢铸件或锻件碳素钢铸件或锻件铁基合金铁基合金

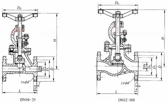
J41N 型 PN40 钢制截止阀外形及结构尺寸 (mm)
| DN | L | D | D1 | D2 | b | z×ød | H | D0 | 重量/KG |
| 10 | 130 | 90 | 60 | 40 | 16 | 4×ø14 | 198 | 120 | 4.5 |
| 15 | 130 | 95 | 65 | 45 | 16 | 4×ø14 | 233 | 120 | 5 |
| 20 | 150 | 105 | 75 | 55 | 16 | 4×ø14 | 275 | 140 | 7 |
| 25 | 160 | 115 | 85 | 65 | 16 | 4×ø14 | 285 | 160 | 9 |
| 32 | 180 | 135 | 100 | 78 | 18 | 4×ø18 | 302 | 160 | 12 |
| 40 | 200 | 145 | 110 | 85 | 18 | 4×ø18 | 355 | 200 | 17 |
| 50 | 230 | 160 | 125 | 100 | 20 | 4×ø18 | 373 | 240 | 24 |
| 65 | 290 | 180 | 145 | 120 | 22 | 8×ø18 | 408 | 280 | 33 |
| 80 | 310 | 195 | 160 | 135 | 22 | 8×ø18 | 436 | 320 | 44 |
| 100 | 350 | 230 | 190 | 160 | 24 | 8×ø23 | 480 | 360 | 60 |
| 125 | 400 | 270 | 220 | 188 | 28 | 8×ø25 | 558 | 400 | 89 |
| 150 | 480 | 300 | 250 | 218 | 30 | 8×ø25 | 611 | 400 | 130 |



